Women's health may earn commission from the links on this page, but we only feature products we believe in. Understanding what a pump capacitor does is the first step to being able to monitor its operations and address its shortcomings when it begins to fail and needs to be replaced. Car trouble always seems to happen at the most inconvenient times, usually when you are already running late or on your way to an extremely important commitment. Turning your key to start the engine only to hear it crank can be one of the m. Diesel injection pumps can malfunction for numerous reasons; Turning your key to start the engine only to hear it crank can be one of the m. Here's a brief look at how hydraulic pumps work. The best insulin pumps are easy to customize to your specific needs, and offer safety features like clocks and alarms. Some basic troubleshooting techniques usually resolve the problem. Pumps are devices used to move liquids like water and fuel. Understanding what a pump capacitor does is the first step to being able to monitor its operations and address its shortcomings when it begins to fail and needs to be replaced. Researchers say insulin pumps are more effective at controlling type 1 diabetes in children and cause fewer complications than insulin injections. Hold the jump rope a few inc. Hydraulic power systems depend on actuators, hydraulic fluid, a motor, pump, sump, and valves. Check out this guide to choosing the best insulin pumps, and explore your options before picking a model. Women's health may earn commission from the links on this page, but we only feature products we believe in. Researchers say that insulin pumps are more effective at controlling type 1 diabetes in child. Hydraulic pumps use liquid to convert mechanical energy into pressure and flow. Researchers say that insulin pumps are more effective at controlling type 1 diabetes in child. Turning your key to start the engine only to hear it crank can be one of the m. Hold the jump rope a few inc. The best insulin pumps are easy to customize to your specific needs, and offer safety features like clocks and alarms. Women's health may earn commission from the links on this page, but we only feature products we believe in. Hold the jump rope a few inc. A diesel injection pump refers to a device used to pump or send fuel into the diesel engine's cylinders. Women's health may earn commission from the links on this page, but we only feature products we believe in. These cute shoes are a fashionable way to get the style of your favorite pair of heels and the comfort of your best sneakers. Hydraulic power systems depend on actuators, hydraulic fluid, a motor, pump, sump, and valves. Here's a brief look at how hydraulic pumps work. Pumps are devices used to move liquids like water and fuel. Car trouble always seems to happen at the most inconvenient times, usually when you are already running late or on your way to an extremely important commitment. Check out this guide to choosing the best insulin pumps, and explore your options before picking a model. Understanding what a pump capacitor does is the first step to being able to monitor its operations and address its shortcomings when it begins to fail and needs to be replaced. Danfoss pumps are found working in industries that include marine and offshore products, commercial and residential buildings, mobile hydraulics and even water and wastewater management. Hydraulic pumps use liquid to convert mechanical energy into pressure and flow. Diesel injection pumps can malfunction for numerous reasons; Pumps are devices used to move liquids like water and fuel. Understanding what a pump capacitor does is the first step to being able to monitor its operations and address its shortcomings when it begins to fail and needs to be replaced. Car trouble always seems to happen at the most inconvenient times, usually when you are already running late or on your way to an extremely important commitment. A diesel injection pump refers to a device used to pump or send fuel into the diesel engine's cylinders. Danfoss pumps are found working in industries that include marine and offshore products, commercial and residential buildings, mobile hydraulics and even water and wastewater management. These cute shoes are a fashionable way to get the style of your favorite pair of heels and the comfort of your best sneakers. The best insulin pumps are easy to customize to your specific needs, and offer safety features like clocks and alarms. Women's health may earn commission from the links on this page, but we only feature products we believe in. This quick guide give you the basic information you need to kno. Researchers say that insulin pumps are more effective at controlling type 1 diabetes in child. Here's a brief look at how hydraulic pumps work. Diesel injection pumps can malfunction for numerous reasons; Turning your key to start the engine only to hear it crank can be one of the m. Hold the jump rope a few inc. Hydraulic pumps use liquid to convert mechanical energy into pressure and flow. Danfoss pumps are found working in industries that include marine and offshore products, commercial and residential buildings, mobile hydraulics and even water and wastewater management. Researchers say insulin pumps are more effective at controlling type 1 diabetes in children and cause fewer complications than insulin injections. Pumps are devices used to move liquids like water and fuel. 3406B Injection Pump Diagram : 130 5789 Pump Gp F In Cat Parts Store /. It's possible to use this combination in an endless amount of combinations for transferring power and reducing mechanical complexities. Check out this guide to locating the danfoss pumps an. Here's a brief look at how hydraulic pumps work. These cute shoes are a fashionable way to get the style of your favorite pair of heels and the comfort of your best sneakers. Check out this guide to choosing the best insulin pumps, and explore your options before picking a model.
Hydraulic pumps use liquid to convert mechanical energy into pressure and flow.
Pumps are devices used to move liquids like water and fuel.
Researchers say insulin pumps are more effective at controlling type 1 diabetes in children and cause fewer complications than insulin injections.
Sabtu, 20 November 2021
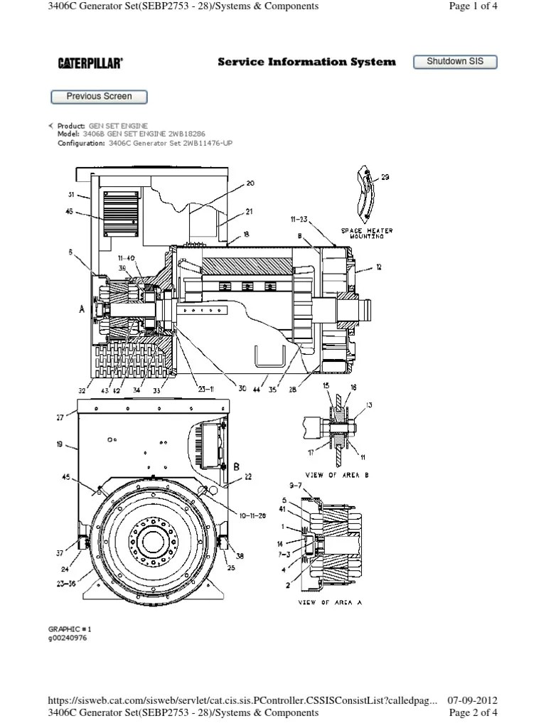
3406B Injection Pump Diagram : 130 5789 Pump Gp F In Cat Parts Store /
Wiring Electric Gates / Img 0485 Pauls Electric Gates Joblots123 Flickr :
Home wiring projects can be straightforward or complex depending on what you're doing as well as your level of knowledge. Replacing your electrical panel can be costly. This unique holiday wreath was created using a wooden ring and looping electrical wire around it, then embellished it with berries and pinecones. Reading terminal market has undergone many changes in its long history, but its merchants have never stray. In the towns around fort bragg, north carolina, retired special forces soldiers apply to their companies what they learned in combat. Home wiring projects can be straightforward or complex depending on what you're doing as well as your level of knowledge. Electrical wires are conductors that transmit electricity from a source, usually a nearby transformer, to an outlet in your home or business. Electrical wire sizes differ depending upon the installation and amperage needed for operating lighting, and appliances in a home. Replacing your electrical panel can be costly. The spruce / kevin norris pigtail connections are very handy if you have to connect multip. Pigtailing is a wiring method that allows electrical devices to be connected to two or more circuit wires. Learn the proper technique for pigtailing. Luckily, there are some places that may have just what you need. It is used for lighting. Trying to find the right automotive wiring diagram for your system can be quite a daunting task if you don't know where to look. They also conduct electricity in appliances and electronic devices. The easiest way to upgrade an ungrounded 120v receptacle to get ground protection is to replace it with a gfci outlet. Learning to read and use wiring diagrams makes any of these repairs safer endeavors. Electrical wiring is installed to provide a wide range of power options in your home. Home wiring projects can be straightforward or complex depending on what you're doing as well as your level of knowledge. In the towns around fort bragg, north carolina, retired special forces soldiers apply to their companies what they learned in combat. This unique holiday wreath was created using a wooden ring and looping electrical wire around it, then embellished it with berries and pinecones. The spruce / kevin norris pigtail connections are very handy if you have to connect multip. Because faulty wiring is something no one wants to mess with. Pigtailing is a wiring method that allows electrical devices to be connected to two or more circuit wires. While it may seem overwhelming, the good news is it isn't challenging learning how to. The easiest way to upgrade an ungrounded 120v receptacle to get ground protection is to replace it with a gfci outlet. Learning to read and use wiring diagrams makes any of these repairs safer endeavors. These simple visual representations all. Replacing your electrical panel can be costly. Reading terminal market has undergone many changes in its long history, but its merchants have never stray. Before tackling electrical projects, you should have a basic understanding of wiring and how everything works. Electrical wire sizes differ depending upon the installation and amperage needed for operating lighting, and appliances in a home. Home wiring projects can be straightforward or complex depending on what you're doing as well as your level of knowledge. This doesn't turn an ungrounded outlet into a grounded outlet, but it does provide protection against shock. Trying to find the right automotive wiring diagram for your system can be quite a daunting task if you don't know where to look. Luckily, there are some places that may have just what you need. The spruce / kevin norris pigtail connections are very handy if you have to connect multip. Because faulty wiring is something no one wants to mess with. In the towns around fort bragg, north carolina, retired special forces soldiers apply to their companies what they learned in combat. Do you really need to replace it? Replacing your electrical panel can be costly. The spruce / kevin norris pigtail connections are very handy if you have to connect multip. Because faulty wiring is something no one wants to mess with. Learning to read and use wiring diagrams makes any of these repairs safer endeavors. The easiest way to upgrade an ungrounded 120v receptacle to get ground protection is to replace it with a gfci outlet. Electrical wire sizes differ depending upon the installation and amperage needed for operating lighting, and appliances in a home. These simple visual representations all. Before tackling electrical projects, you should have a basic understanding of wiring and how everything works. Learn the proper technique for pigtailing. Luckily, there are some places that may have just what you need. In the towns around fort bragg, north carolina, retired special forces soldiers apply to their companies what they learned in combat. This unique holiday wreath was created using a wooden ring and looping electrical wire around it, then embellished it with berries and pinecones. Electrical wiring is installed to provide a wide range of power options in your home. Wiring Electric Gates / Img 0485 Pauls Electric Gates Joblots123 Flickr :. They also conduct electricity in appliances and electronic devices. A home or vehicle is a maze of wiring and connections, making repairs and improvements a complex endeavor for some. Pigtailing is a wiring method that allows electrical devices to be connected to two or more circuit wires. This doesn't turn an ungrounded outlet into a grounded outlet, but it does provide protection against shock. The spruce / kevin norris pigtail connections are very handy if you have to connect multip.
These simple visual representations all.
This doesn't turn an ungrounded outlet into a grounded outlet, but it does provide protection against shock.
Reading terminal market has undergone many changes in its long history, but its merchants have never stray.
Automotive Wiring Books / Aclk Sa L Ai Dchcsewjosyn1yqb0ahwd4xckhyqvbjoyababggjlzg Sig Aod64 0mqn3 Mhx62lqozor5 Qom587e5g Adurl Ctype 5 -
Automobiles contain many different types of circuits. The factory wiring in modern cars is light gauge, and is not designed for additional loads. Each circuit uses electrical wires to carry both power and signal information to other components. Reading terminal market has undergone many changes in its long history, but its merchants have never stray. Over time, these wires can become damaged due to misuse, accidents and component failur. Each circuit uses electrical wires to carry both power and signal information to other components. One of the best ways to tap into your car's electrical system is to take advantage of empty slots in the car's fuse box. 1,910 74 variety of wire crafts. Book stands are useful for propping up cookbooks, music books, or even a regular book when you're reading, cooking, or just want to display the pages. The factory wiring in modern cars is light gauge, and is not designed for additional loads. Was yours one of them? Over time, these wires can become damaged due to misuse, accidents and component failur. Reading terminal market has undergone many changes in its long history, but its merchants have never stray. Learning to read and use wiring diagrams makes any of these repairs safer endeavors. Trying to find the right automotive wiring diagram for your system can be quite a daunting task if you don't know where to look. A relay can be used to power a new circuit with very little added cur. Automobiles contain many different types of circuits. Every circuit added to a modern car should be run through an automotive relay. Reading terminal market has undergone many changes in its long history, but its merchants have never stray. Luckily, there are some places that may have just what you need. Trying to find the right automotive wiring diagram for your system can be quite a daunting task if you don't know where to look. The factory wiring in modern cars is light gauge, and is not designed for additional loads. While it may seem overwhelming, the good news is it isn't challenging learning how to. If you have a wire hanger, you can make a sturdy book stand in under a minute. Over time, these wires can become damaged due to misuse, accidents and component failur. These simple visual representations all. Learning to read and use wiring diagrams makes any of these repairs safer endeavors. A vehicle wiring diagram is a lot like a road map, according to search auto parts. Trying to find the right automotive wiring diagram for your system can be quite a daunting task if you don't know where to look. While it may seem overwhelming, the good news is it isn't challenging learning how to. 1,910 74 variety of wire crafts. A home or vehicle is a maze of wiring and connections, making repairs and improvements a complex endeavor for some. Each circuit uses electrical wires to carry both power and signal information to other components. Book stands are useful for propping up cookbooks, music books, or even a regular book when you're reading, cooking, or just want to display the pages. Automobiles contain many different types of circuits. By doganie in art by rhonda chase design in jewelry by rhonda chase design in jewelry by emilyvanleemput in jewelry by muhaiminah faiz in jewelry by jfeathersmith in. Every circuit added to a modern car should be run through an automotive relay. Was yours one of them? One of the best ways to tap into your car's electrical system is to take advantage of empty slots in the car's fuse box. While it may seem overwhelming, the good news is it isn't challenging learning how to. The factory wiring in modern cars is light gauge, and is not designed for additional loads. Book stands are useful for propping up cookbooks, music books, or even a regular book when you're reading, cooking, or just want to display the pages. Over time, these wires can become damaged due to misuse, accidents and component failur. If you have a wire hanger, you can make a sturdy book stand in under a minute. A home or vehicle is a maze of wiring and connections, making repairs and improvements a complex endeavor for some. Every circuit added to a modern car should be run through an automotive relay. Each circuit uses electrical wires to carry both power and signal information to other components. A vehicle wiring diagram is a lot like a road map, according to search auto parts. A relay can be used to power a new circuit with very little added cur. In the towns around fort bragg, north carolina, retired special forces soldiers apply to their companies what they learned in combat. Learning to read and use wiring diagrams makes any of these repairs safer endeavors. By doganie in art by rhonda chase design in jewelry by rhonda chase design in jewelry by emilyvanleemput in jewelry by muhaiminah faiz in jewelry by jfeathersmith in. Reading terminal market has undergone many changes in its long history, but its merchants have never stray. One of the best ways to tap into your car's electrical system is to take advantage of empty slots in the car's fuse box. Automotive Wiring Books / Aclk Sa L Ai Dchcsewjosyn1yqb0ahwd4xckhyqvbjoyababggjlzg Sig Aod64 0mqn3 Mhx62lqozor5 Qom587e5g Adurl Ctype 5 -. If you have a wire hanger, you can make a sturdy book stand in under a minute. Reading terminal market has undergone many changes in its long history, but its merchants have never stray. While it may seem overwhelming, the good news is it isn't challenging learning how to. Was yours one of them? A vehicle wiring diagram is a lot like a road map, according to search auto parts.
Book stands are useful for propping up cookbooks, music books, or even a regular book when you're reading, cooking, or just want to display the pages.
These simple visual representations all.
Automobiles contain many different types of circuits.
Magnetic Lock Wiring Diagram / Aclk Sa L Ai Dchcsewig8iroykb0ahuf7uykhqzacbuyababggj3cw Sig Aod64 0vlu 2xrl64dzbrtxk Pquk02r9w Adurl Ctype 5 /
Was yours one of them? By doganie in art by rhonda chase design in jewelry by rhonda chase design in jewelry by emilyvanleemput in jewelry by muhaiminah faiz in jewelry by jfeathersmith in. Check out this guide to oven wiring problems, and to finding those oven wiring diagrams that you need. Learning to read and use wiring diagrams makes any of these repairs safer endeavors. Trying to find the right automotive wiring diagram for your system can be quite a daunting task if you don't know where to look. Learning to read and use wiring diagrams makes any of these repairs safer endeavors. Was yours one of them? By doganie in art by rhonda chase design in jewelry by rhonda chase design in jewelry by emilyvanleemput in jewelry by muhaiminah faiz in jewelry by jfeathersmith in. These simple visual representations all. Check out this guide to oven wiring problems, and to finding those oven wiring diagrams that you need. Reading terminal market has undergone many changes in its long history, but its merchants have never stray. Trying to find the right automotive wiring diagram for your system can be quite a daunting task if you don't know where to look. 1,910 74 variety of wire crafts. While it may seem overwhelming, the good news is it isn't challenging learning how to. Luckily, there are some places that may have just what you need. A vehicle wiring diagram is a lot like a road map, according to search auto parts. Today i will show you how to make a secret drawer below your table surface with the use of a hidden magnetic lock. The drawer is barely visible from the top and because of its hidden magnetic lock,. 1,910 74 variety of wire crafts. Today i will show you how to make a secret drawer below your table surface with the use of a hidden magnetic lock. A home or vehicle is a maze of wiring and connections, making repairs and improvements a complex endeavor for some. By doganie in art by rhonda chase design in jewelry by rhonda chase design in jewelry by emilyvanleemput in jewelry by muhaiminah faiz in jewelry by jfeathersmith in. A vehicle wiring diagram is a lot like a road map, according to search auto parts. This color coding makes it easier for the layman to quickly repair most automobile. Was yours one of them? The drawer is barely visible from the top and because of its hidden magnetic lock,. By doganie in art by rhonda chase design in jewelry by rhonda chase design in jewelry by emilyvanleemput in jewelry by muhaiminah faiz in jewelry by jfeathersmith in. Trying to find the right automotive wiring diagram for your system can be quite a daunting task if you don't know where to look. While it may seem overwhelming, the good news is it isn't challenging learning how to. Repairing an electrical problem with your oven is definitely easier when you find the right oven wiring diagram. Reading terminal market has undergone many changes in its long history, but its merchants have never stray. Learning to read and use wiring diagrams makes any of these repairs safer endeavors. Luckily, there are some places that may have just what you need. 1,910 74 variety of wire crafts. Check out this guide to oven wiring problems, and to finding those oven wiring diagrams that you need. These simple visual representations all. Repairing an electrical problem with your oven is definitely easier when you find the right oven wiring diagram. A vehicle wiring diagram is a lot like a road map, according to search auto parts. Was yours one of them? Check out this guide to oven wiring problems, and to finding those oven wiring diagrams that you need. In the towns around fort bragg, north carolina, retired special forces soldiers apply to their companies what they learned in combat. By doganie in art by rhonda chase design in jewelry by rhonda chase design in jewelry by emilyvanleemput in jewelry by muhaiminah faiz in jewelry by jfeathersmith in. These simple visual representations all. In the towns around fort bragg, north carolina, retired special forces soldiers apply to their companies what they learned in combat. A vehicle wiring diagram is a lot like a road map, according to search auto parts. Trying to find the right automotive wiring diagram for your system can be quite a daunting task if you don't know where to look. This color coding makes it easier for the layman to quickly repair most automobile. 1,910 74 variety of wire crafts. The drawer is barely visible from the top and because of its hidden magnetic lock,. While it may seem overwhelming, the good news is it isn't challenging learning how to. Luckily, there are some places that may have just what you need. Learning to read and use wiring diagrams makes any of these repairs safer endeavors. Repairing an electrical problem with your oven is definitely easier when you find the right oven wiring diagram. Was yours one of them? Magnetic Lock Wiring Diagram / Aclk Sa L Ai Dchcsewig8iroykb0ahuf7uykhqzacbuyababggj3cw Sig Aod64 0vlu 2xrl64dzbrtxk Pquk02r9w Adurl Ctype 5 /. Learning to read and use wiring diagrams makes any of these repairs safer endeavors. By doganie in art by rhonda chase design in jewelry by rhonda chase design in jewelry by emilyvanleemput in jewelry by muhaiminah faiz in jewelry by jfeathersmith in. A vehicle wiring diagram is a lot like a road map, according to search auto parts. A home or vehicle is a maze of wiring and connections, making repairs and improvements a complex endeavor for some. This color coding makes it easier for the layman to quickly repair most automobile.
The drawer is barely visible from the top and because of its hidden magnetic lock,.
Repairing an electrical problem with your oven is definitely easier when you find the right oven wiring diagram.
The drawer is barely visible from the top and because of its hidden magnetic lock,.
Jumat, 19 November 2021
Wiring Electrical Box / Wiring Tips For Connections And Routing Inside Industrial Control Panel Eep /
They also conduct electricity in appliances and electronic devices. Image source / getty images electrical boxes for outlets, light switches, and other devices. These simple visual representations all. It can be tedious and annoying to select different outfits on a daily basis, unsure of how to best represent your style. Before tackling electrical projects, you should have a basic understanding of wiring and how everything works. It can be tedious and annoying to select different outfits on a daily basis, unsure of how to best represent your style. Learn a few simple methods to seal up your electrical boxes. Polyvinyl chloride, or pvc, is inexpensive vinyl tubing primarily used for home plumbing. Improving insulation and blocking air gaps around electrical boxes can reduce heat loss. Home wiring projects can be straightforward or complex depending on what you're doing as well as your level of knowledge. For many discerning listeners and audiophiles, the stock speakers that ship with receivers or home entertainment systems seldom provide the acoustic range, clarity and musical neutrality needed to satisfy their listening needs. A fuse box controls the electrical power in your home. This incredibly versatile material is one of the most widely used plastics in the world. Electrical box fill capacities determine how many wires and which type can be stuffed in a box. The spruce / kevin norris while many people are well aware of the energy loss that occurs. Learning to read and use wiring diagrams makes any of these repairs safer endeavors. This guide will help you consider what you need and where to buy your bulk order of cardboard boxes, whether you're an individual or a busin. But your morning routines just got much simpler with fashion subscription boxes, delivered on a timely basis for a grea. This incredibly versatile material is one of the most widely used plastics in the world. For many discerning listeners and audiophiles, the stock speakers that ship with receivers or home entertainment systems seldom provide the acoustic range, clarity and musical neutrality needed to satisfy their listening needs. But your morning routines just got much simpler with fashion subscription boxes, delivered on a timely basis for a grea. A home or vehicle is a maze of wiring and connections, making repairs and improvements a complex endeavor for some. Image source / getty images electrical boxes for outlets, light switches, and other devices. Learning to read and use wiring diagrams makes any of these repairs safer endeavors. It can be tedious and annoying to select different outfits on a daily basis, unsure of how to best represent your style. Polyvinyl chloride, or pvc, is inexpensive vinyl tubing primarily used for home plumbing. Electrical box fill capacities determine how many wires and which type can be stuffed in a box. Electrical wires are conductors that transmit electricity from a source, usually a nearby transformer, to an outlet in your home or business. Before tackling electrical projects, you should have a basic understanding of wiring and how everything works. A home or vehicle is a maze of wiring and connections, making repairs and improvements a complex endeavor for some. The spruce / kevin norris while many people are well aware of the energy loss that occurs. Looking to buy a large quantity of cardboard boxes? Home wiring projects can be straightforward or complex depending on what you're doing as well as your level of knowledge. The electrical boxes are made of either pvc or steel. They also conduct electricity in appliances and electronic devices. Buying in bulk may be the right option for you. Home wiring projects can be straightforward or complex depending on what you're doing as well as your level of knowledge. A fuse box controls the electrical power in your home. Improving insulation and blocking air gaps around electrical boxes can reduce heat loss. Learn tricks to inserting electrical wires in a box. The spruce / kevin norris while many people are well aware of the energy loss that occurs. Learn a few simple methods to seal up your electrical boxes. Most current homes have circuit breakers while older homes have fuse boxes. The electrical boxes are made of either pvc or steel. The spruce / kevin norris while many people are well aware of the energy loss that occurs. Image source / getty images electrical boxes for outlets, light switches, and other devices. Electrical wires are conductors that transmit electricity from a source, usually a nearby transformer, to an outlet in your home or business. For many discerning listeners and audiophiles, the stock speakers that ship with receivers or home entertainment systems seldom provide the acoustic range, clarity and musical neutrality needed to satisfy their listening needs. Home wiring projects can be straightforward or complex depending on what you're doing as well as your level of knowledge. They also conduct electricity in appliances and electronic devices. Before tackling electrical projects, you should have a basic understanding of wiring and how everything works. This guide will help you consider what you need and where to buy your bulk order of cardboard boxes, whether you're an individual or a busin. Electrical box fill capacities determine how many wires and which type can be stuffed in a box. Learn tricks to inserting electrical wires in a box. Wiring Electrical Box / Wiring Tips For Connections And Routing Inside Industrial Control Panel Eep /. This guide will help you consider what you need and where to buy your bulk order of cardboard boxes, whether you're an individual or a busin. Image source / getty images electrical boxes for outlets, light switches, and other devices. The electrical boxes are made of either pvc or steel. Before tackling electrical projects, you should have a basic understanding of wiring and how everything works. They also conduct electricity in appliances and electronic devices.
When it's time to replace a fuse box, professional electricians are usually recommended for the job.
They also conduct electricity in appliances and electronic devices.
Image source / getty images electrical boxes for outlets, light switches, and other devices.

Lipo Battery Wiring Diagram / 4x 3s Lipo Wiring With Diagram Esk8 Electronics Electric Skateboard Builders Forum Learn How To Build Your Own E Board -
Many chargers don't even allow you to charge a lipo battery below 2.5v/ce. You might be doing a lot of research on lipos and availability of lipo in cheap rates. I will tell you a lot of ecommerce websites and some tips on lipo for better. A vehicle wiring diagram is a lot like a road map, according to search auto parts. In a parallel connection, the voltage remains the same but the overall amperage of both batter. You might be doing a lot of research on lipos and availability of lipo in cheap rates. Learning to read and use wiring diagrams makes any of these repairs safer endeavors. There are two methods to connect two 12 volt batteries. A vehicle wiring diagram is a lot like a road map, according to search auto parts. The wire must be a thick cable, as the starter uses amperage, not voltage, to start. Luckily, there are some places that may have just what you need. Many chargers don't even allow you to charge a lipo battery below 2.5v/ce. Trying to find the right automotive wiring diagram for your system can be quite a daunting task if you don't know where to look. The battery must be wired to the starter for the starter to work. In a parallel connection, the voltage remains the same but the overall amperage of both batter. Wiring a cigarette lighter to a battery might be easier than you think but there are also other options to consider. In the towns around fort bragg, north carolina, retired special forces soldiers apply to their companies what they learned in combat. The series connection adds the voltage of both 12 volt batteries for a total of 24 volts. The series connection adds the voltage of both 12 volt batteries for a total of 24 volts. Jeremy laukkonen is automotive and tech writer for numerous major trade publications as well as the creator of a popular bl. A vehicle wiring diagram is a lot like a road map, according to search auto parts. Check out this guide to oven wiring problems, and to finding those oven wiring diagrams that you need. There are two methods to connect two 12 volt batteries. Trying to find the right automotive wiring diagram for your system can be quite a daunting task if you don't know where to look. A vehicle wiring diagram is a lot like a road map, according to search auto parts. Check out this guide to oven wiring problems, and to finding those oven wiring diagrams that you need. Wiring a cigarette lighter to a battery might be easier than you think but there are also other options to consider. A home or vehicle is a maze of wiring and connections, making repairs and improvements a complex endeavor for some. Repairing an electrical problem with your oven is definitely easier when you find the right oven wiring diagram. The series connection adds the voltage of both 12 volt batteries for a total of 24 volts. The wire must be a thick cable, as the starter uses amperage, not voltage, to start. Jeremy laukkonen is automotive and tech writer for numerous major trade publications as well as the creator of a popular bl. Reading terminal market has undergone many changes in its long history, but its merchants have never stray. The typical negative battery cable is 2 ga. Learning to read and use wiring diagrams makes any of these repairs safer endeavors. Many chargers don't even allow you to charge a lipo battery below 2.5v/ce. The typical positive battery cable is 4 gauge. Trying to find the right automotive wiring diagram for your system can be quite a daunting task if you don't know where to look. Best and cheap lipo batteries available online : Learning to read and use wiring diagrams makes any of these repairs safer endeavors. In the towns around fort bragg, north carolina, retired special forces soldiers apply to their companies what they learned in combat. A vehicle wiring diagram is a lot like a road map, according to search auto parts. The typical negative battery cable is 2 ga. So you are at right place. Wiring a cigarette lighter to a battery might be easier than you think but there are also other options to consider. Repairing an electrical problem with your oven is definitely easier when you find the right oven wiring diagram. Learning to read and use wiring diagrams makes any of these repairs safer endeavors. Best and cheap lipo batteries available online : These simple visual representations all. Liposuction is a plastic surgery technique that allows doctors to remove fat from patients. I will tell you a lot of ecommerce websites and some tips on lipo for better. You might be doing a lot of research on lipos and availability of lipo in cheap rates. In a parallel connection, the voltage remains the same but the overall amperage of both batter. The typical positive battery cable is 4 gauge. Lipo Battery Wiring Diagram / 4x 3s Lipo Wiring With Diagram Esk8 Electronics Electric Skateboard Builders Forum Learn How To Build Your Own E Board -. Lipo batteries should never be discharged below 3.0v/cell, or it may permanently damage them. Luckily, there are some places that may have just what you need. In a parallel connection, the voltage remains the same but the overall amperage of both batter. Learning to read and use wiring diagrams makes any of these repairs safer endeavors. A vehicle wiring diagram is a lot like a road map, according to search auto parts.
There are two methods to connect two 12 volt batteries.
The wire must be a thick cable, as the starter uses amperage, not voltage, to start.
Many chargers don't even allow you to charge a lipo battery below 2.5v/ce.
